RETENTORES

 

Temos RETENTORES em diversos modelos e aplicações,variando o dimensional e as sua composição elastomérica.

 

 

 

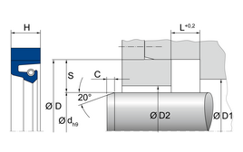
Informações do produto

Informações técnicas

 

            Alta tecnologia e performance de excelente desempenho,de acordo com melhor material indicado verifique na tabela de propriedades das borrachas.

 

Marca:

 

Tipo:

 

Material

 

Compatibilidade:

 

 

Modelo: 

Sovulbor

 

Variados

 

Nitrilicas / Viton / Poliacrilicas / Silicone / Ptfe       

 

De acordo com o meio será indicado o melhor material.

 

 

Vedação simples / Dupla com mola ou sem mola.

 
(15) 99847-4715 / 98185-7416 

Av. Monsenhor Mauro Vallini ,438 -  JD.Santa Esmeralda - CEP 18079-121  Sorocaba  /   SP

 

comercial@sovulbor.com.br